
- Kapningshastighet: 15-30 st/min
- Märkspänning: 110V/60Hz (amerikansk standard)
- Maskineffekt: 0,8KW
- Ampere: 2,2A
- Yttermått: 2230*1460*1600 MM(L*B*H)
- Lufttryck: 0,7 MPa
- Vikt: Cirka 300 kg
Meddelande innan du startar flasklockmaskinen
1: Innan maskinen ansluts, se till att strömbrytaren är i stängt läge och följ sedan instruktionerna.
2: Om maskinen inte går på länge ska den torkas av med en torr trasa och får inte rengöras med något frätande rengöringsmedel.
3: Det är strängt förbjudet att spruta in någon vätska i maskinens elbox för att undvika korrosion på de interna elektriska komponenterna och orsaka kortslutning.
4: Kontrollera enligt utrustningens packlista modeller, specifikationer och kvantitet av utrustning och material för att säkerställa att de uppfyller kraven för design och produktstandarder och åtföljs av intyg om överensstämmelse.
5: Kontrollera utseendet på utrustningen för att säkerställa att den är fri från deformation, skador och korrosion, och alla spindlar att de ska vara flexibelt roterande utan blockering.
6: Den här maskinen arbetar under enfas AC 110V, och den platta 3-benade strömkontakten ska anslutas till eluttaget med en jordkabel.
Tekniska parametrar

- Kapningshastighet: 15-30 st/min
- Märkspänning: 110V/60Hz (amerikansk standard)
- Maskineffekt: 0,8KW
- Ampere: 2,2A
- Yttermått: 2230*1460*1600 MM(L*B*H)
- Lufttryck: 0,7 MPa
- Vikt: Cirka 300 kg
Kapslingsmaskin i detaljer:



Maskinens strukturer

Optical Fiber Electric Eye Beskrivning
Elektriskt öga för att upptäcka flaskor:

När den drivs i automatiskt läge är syftet med detta elektriska öga att upptäcka inkommande flaskor.
När den inkommande flaskan detekteras roterar "vridskivan".
Lock-Delivery Electric Eye

När den drivs i automatiskt läge är syftet med detta elektriska öga att upptäcka inkommande skydd.
När det inkommande locket detekteras stiger "uttagningsmekanismen" för att ta material.
Lock-Delivery Electric Eye

När den drivs i automatiskt läge: Syftet med detta elektriska öga är att upptäcka inkommande flaskor.
När den inkommande flaskan upptäcks, roterar "lock cap mechanism" låslocket nedåt.
Switch-knapp och ledningsport
Pekskärm och nödstopp

Matarmotor och lock vibrationsplatta styrenhet

Vibrationsplatta-kontroller

Vibrationsplattans styrenhet: Justera urladdningshastigheten genom att justera spänningen.
Strömbrytare och uttag

Motorstyrning

Frekvenstransformator: Justera motorhastigheten genom att justera frekvenstransformatorknappen.
Larm och felsökningsmetod:
1. Nödstopp har tryckts in. Tryck på nödstoppen på maskinlocket och bredvid pekskärmen.
2. Utgången når det inställda värdet. Ställ in utgången, tryck på raderingsknappen för att rensa den aktuella utgången.
3. När lock inte upptäcks under en längre tid, kontrollera. Kontrollera induktionsfibern på flaskkorken om den är väl försedd. Kontrollera om locken sitter på plats eller inte.
4. Kontrollera om flaskor inte upptäcks under en längre tid. Kontrollera om flaskorna är på plats.
Elektrisk ögonjustering:
Förstärkarens struktur

Diagram för optisk fiber:

1. Låsstång för optisk fiber
2. Driftstatusindikator
3. Ställ in
4. DSC-indikatorlampa
5. Digital monitor
6. Manuell knapp
7. Förlängt skyddskåpa
8. Expansionskontakt
9. Strömväljare
10. Lägesknapp
11. Utgångsväljare
12. Kablar
13. Dammskydd
14. Ställ in värde (i grönt)
15. Aktuellt värde (i rött)
Arbetsprocess för den fiberoptiska miljön
- När det elektriska ögat faller i gapet är det röda strömvärdet 144.
- När det elektriska ögat faller på etiketten är det röda strömvärdet 4.
- Justera det inställda värdet", ungefär 1/2 av värdet som det elektriska ögat är på papperet (i gapet mellan objekten som ska detekteras) och värdet som det elektriska ögat är på papperet är det inställda värdet (144 4)/2=74, justera den manuella knappen för att justera det inställda värdet till 74.
- Flytta etikettavståndet fram och tillbaka i det elektriska ögonläget och den röda "signallampan/indikatorlampan".
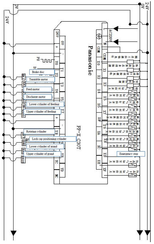
Kretsdiagram



Underhållsförslutningsmaskin för flaskor

1. Det är nödvändigt att kontrollera och underhålla maskinen för att förlänga maskinen och optimera maskinens funktion;
- Arbetsmaskinen bör underhållas var tredje månad;
- Lager- och växellådans del måste smörjas med fettet;
- Smörjningen måste göras regelbundet;
- Den glidande oljan (N68) bör tillsättas i delen som fram- och återgående mekanismrörelse eller lyft två gånger varje dag;
- Biloljan (N68) bör tillsättas i de roterande eller svängbara delarna;
- Tillsätt fettet i kamöppningen varje halv månad;
- Varje månad en gång för oljemunstycket genom att tillsätta fettet;
2. Använd aldrig metallverktyg för att slå eller skrapa ytan där limningen är samlad på delar som komponenter eller form.
3. Om maskinen slutar gå under en längre tid, tillsätt fettet för smörjning i delar som transmission eller lagerdel; Behandla även maskinen med vattentätt skydd.
4. Placera aldrig några föremål på maskinen så att det skadar maskinen.
5. Rengör dammet inuti komponenterna med jämna mellanrum, kontrollera även alla skruvar och fixa eventuella lossade skruvar.
6. Kontrollera att skruvarna i terminalerna är dragna vid en viss tidpunkt och se till att skruven är fast;
7. Kontrollera om det finns någon lös station i den sträckta ledningsbanan från elboxarna; Om delen är för lös, skruva fast skruven igen för att undvika nötning eller skador i isoleringsskiktet som kan orsaka elektriskt läckage.
8. Kontrollera de lättslitna klapparna och byt ut den skadade i tid;









