
- Kapslingshuvuden: 2st servo-moto-körning
- Spänning: 220V, 50/60HZ;
- Effekt: 3,0Kw
- Lufttryck: 0,5–0,7Mpa
- Ampere: 8,5A
- Hastighet: 40-45/min (anpassad efter burkars former och storlekar)
- Lämplig produktdiameter: φ28-φ125mm lock (Icke-standard anpassade)
- Gland pass rate: ≥99,5% (Beroende på lock och flaska fel)
- Maskinstorlek: 3300*1150mm*1908mm
- Vikt: 450 kg
Innan du slår på strömmen till maskinen. Läs denna bruksanvisning noggrant för säkerhetsfrågor och korrekt användning av maskinen. För att undvika personalolyckor och minska frekvensen av maskinskador.
När det gäller frätande produkter, var noga med att undvika att frätande föremål vidrör eller stänker på själva maskinen och personalen.
- Undvik att använda maskinen på platser som utsätts för vibrationer eller kollision.
- När maskinen är igång kan personalens kropp inte röra de rörliga delarna.
- Maskinen bör undvikas på alltför fuktiga platser. Och mata in den i strömförsörjningen, jordkabeln korrekt jordad, För att undvika en säkerhetsolycka.
- Operatören bör upprätthålla ett normalt fysiskt och mentalt tillstånd. Om du tar alkohol, sömntabletter eller andra droger som är skadliga för ditt mentala tillstånd, sluta använda maskinen.
- Operatören måste bära lämpliga kläder för att undvika skador orsakade av klädernas inblandning i de rullande delarna och får inte placera några främmande föremål på maskinen.
- Om buller eller andra avvikelser uppstår under användning, stoppa omedelbart och kontrollera. Icke-ingenjörstekniker, vänligen överför inte maskindelar godtyckligt.
- Regelbundet (en gång/vecka) underhåll och skötsel, undvik vatten eller vätskestänk och elektroniska kontrollboxar eller andra elektriska komponenter vid rengöring av maskinen.
- Vänligen kör enligt normala driftsprocedurer och håll maskinens yta ren och snygg.
Kapningsmaskinen appliceras på alla typer av kosmetika, medicin, veterinärmedicin, bekämpningsmedel, smörjolja och andra industriella områden i förpackningsprocessen.





Princip och funktioner för burklockmaskinen:
- Elektrisk automatisk styrning, den är stabil;
- Med lockpositioneringsanordning, låst lock standard, är operationen bekväm;
- Lås täcker ett brett spektrum, kan snurra olika former specifikationer av lock;
- Takhastighet, spinnens fängelse, kan samtidigt också beroende på behovet av att justera tätheten av återspolningen.


Grundläggande parametrar för lockmaskin för kosmetiska burkar:

1. Kapslingshuvuden: 2st servo-moto-körning
2. Spänning: 220V, 50/60HZ;
3. Effekt: 3,0Kw
4. Lufttryck: 0,5--0,7Mpa
5. Ampere: 8,5A
6. Hastighet: 40-45/min (anpassad efter burkars former och storlekar)
7. Lämplig produktdiameter: φ28-φ125 mm lock (Icke-standard anpassade)
8. Gland pass rate:≥99,5% (Beroende på lock och flaska fel)
9. Maskinstorlek:3300*1150mm*1908mm
10. Vikt:450kg
Värddelbeskrivning


Strömbrytare: Styr strömförsörjningen på---av.
Strömindikator: ström på — grön lampa tänd, ström av --- grön lampa släckt.
Nödstopp: Används för att stoppa maskinen omedelbart eller för att återställa funktionen vid nödsituation eller fel.
1. Starta fotoelektrisk: Maskinen är i drift, när den fotoelektriska detekteringen upptäcker att det finns en flaska och har ett lock, kan skivspelaren börja fungera. Om en av de två fotoelektrikerna inte detekteras, roterar inte skivspelaren.
2. Ursprung fotoelektrisk: Den används för att styra stegmotorn för att driva vridbordets positionering, så att flaskan kan sättas in i locket smidigt.
3. Caps fotoelektricitet: Kontrollera om locket sitter på plats och detektera fotoelektriskt att det finns en locktallrik att rotera.
4. Täckfotoelektricitet: Styrning av start och stopp av den övre luckan maskinen, när locket som tillhandahålls av den övre luckan maskinen sorteras till den position som detekteras av fotoelektriken, är fotoelektriciteten alltid ljus, täckmaskinen stannar för locket och det intelligenta locket implementeras .
5. Låsskyddets fotoelektricitet: När flaskan med lock passerar detekteras den fotoelektriska detekteringen och låslocket aktiveras enligt den inställda fördröjningstiden (de specifika parametrarna justeras enligt hastigheten på transportbandet när maskinen justeras).
6. Låsskyddssystem: Flaskan med lock är densamma, den fotoelektriska startfördröjningen, fördröjningen till cylinderklämmans flaska, låslocket sänks, grepplocket - skruvlocket - griparen släpper - låslocket reser sig - clipsflaskan lossas, och låslocksprocessen är klar. I låslocket, när 1# låslocket är i låslocket, kommer en annan flaska in. Vid denna tidpunkt rör sig 2#-klämmans flaskcylinder och 2#-låslocket aktiveras för att låsa locket.(När locket som har låsts med 2#-låshuvudet passerar 1#-klämman, upprepa inte låskåpa.

Beskrivning av gränssnittet människa-maskin

Startsida
3.1 Startsidan har engelska, kinesiska operationsval, om du väljer den kinesiska knappen anger du följande gränssnitt:

Andra gränssnittet
Stopp: Startbrytaren för hela maskinen, tryck på den här knappen, maskinen går i automatiskt läge, tryck igen på den här knappen, maskinen slutar att gå.
Testport: Testa maskinens funktion.
Skivbordshastighet: Ju större hastighetsparametern är, desto snabbare hastigheten är, desto långsammare är hastighetsparametern. (Men det finns en maxgräns.)。
Skivbordsfördröjning: Skivspelarens starttid inställningar, i enlighet med skivspelaren går smidigt effekt att ställa in.
Fördröjning av tak: Efter skivspelaren till den avsedda stationen, fördröja väntetiden, cylinderns aktionslock.
Kapningstid: Den tid som krävs för att täta cylindern.
Produktion: Fyll i registreringen av antalet lock lock, bekväm produktion räkna. Tryck-återställ-knappen för att rensa.
X1. X3. X14: Kontrollera om fotoelektriken är i reflektionens arbetsläge, lätt att se hur maskintillståndet fungerar,
Begränsningsparameter: Tryck på denna tangent och gå in i följande gränssnitt:

Gränssnittet är en parametersida som ska ställas in för varje åtgärd av 1 # låshuvudet i servolåssystemet, den rimliga inställningen av parametrarna är till fördel för maskinens stabilitet och förbättringen av effektiviteten.
Återvända: Tryck på denna knapp för att återgå till det andra gränssnittet.
I/O: Tryck på den här knappen för att öppna följande gränssnitt:

X seriepoäng: Är ingångspunkten för att upptäcka om fotoelektriken är i arbetsläge, lätt att se maskinens funktion, enkelt underhåll.
Y-seriepoäng: Är utgångspunkten för de verkställande komponenterna i det normala tillståndet för återkoppling, kan också manuellt trycka på kontrollknappen för att testa om exekveringskomponenterna är normala.
Lockmatningssystem: Kan vara stabil och välordnad enligt föreskriven täckningsriktning.
Lutningsjustering: rimlig vinkel kan justeras för att kontrollera den omvända locket klättrar inte in i bilden.
Frekvensomvandlarreglering: kontrollera hastigheten på locket.


Underhåll av utrustning för lock för burkar:
1. Se till att maskinen är avstängd och gasavstängd för att garantera säkerheten. Håll maskinen ren och snygg, inga diverse saker på maskinen, inga småartiklar, tillbehör, bultar etc.
2. Och smörjoljan tillsätts regelbundet på den rörliga delens mekanism för att säkerställa ett bra tillstånd för mekanismen.
3. Släpp ut vatten från luftfilterenheten regelbundet och fyll på smörjolja för att säkerställa korrekt användning av cylindern och förlänga livslängden.
4. Kontrollera och reparera maskinen regelbundet. Bedöm utrustningens drifttillstånd genom syn och öra för att säkerställa att maskinen fungerar bra.
Notera: vänligen använd och underhåll i strikt enlighet med instruktionerna, garantiperioden är strängt förbjuden att öppna och demontera, annars skadan orsakad av detta som mänsklig skada, ingen gratis reparation. Denna instruktion kan ändras utan föregående meddelande; om det fortfarande finns någon osäkerhet om hur denna maskin fungerar, ring oss när som helst för frågor
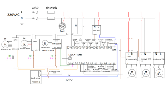
Bifogat elschema:

Färdiga förseglade kapslar prover burklocksmaskinen:





Märken: för de fyrkantiga svarta burkarna på grund av att kapsylerna är känsliga för repor, är den utformad med pick-up-systemet för att dra ut burkarnas lock från brickorna och placera dem i den förslutningsklara stationen för stängningsprocessen. Den detaljerade arbetsprincipen illustreras enligt följande: Arbetsprocess:
1. Manuell insättning av locken i facket (15*15 eller 10*10)

2. Sätta brickorna i färdigupptagningsstationen
3. Robotar som plockar upp burkarna

4. Placering av flaskorna och förslutningsprocessen avslutas
5. Kapslade burkar utgång











